
Detaljerad produktbeskrivning
| Fördel: | Hög hastighet | Märkningshastighet: | 60-200st / min |
|---|---|---|---|
| Fungera: | Självhäftande klistermärkning | Material: | Rostfritt stål |
| Flaska typ: | Automatisk rund flaskmärkeburk | Ansökan: | För alla typer av rund behållare |
| Plc-märke: | MITSUBISHI (Japan) | Servomärkningsmotor: | DELTA (Taiwan) |
rödvin märkningsmaskin glas vinflaska märkningsmaskin, PLC styrsystem MITSUBISHI märkesmärkning maskin
Funktioner:
1. Drift: PLC-styrsystem gör märkningsmaskinen enkel att använda
2. Material: Märkningsmaskinens huvuddel är tillverkad av SUS304 rostfritt stål
3. Konfiguration: Våra märkningsmaskiner använder välkända japanska, tyska, amerikanska, koreanska eller Taiwan delar
4. Flexibilitet: Klienten kan välja att lägga till skrivare och kodmaskin; kan välja att ansluta till converyer eller inte.
Tekniska parametrar:
| namn | Automatisk rund vinflaska för snabbhylsa krympa rund flaskmärkning maskin |
| Märkningshastighet | 60-350st / min |
| Objektets höjd | 30-350mm |
| Tjockleken på objektet | 20-120mm |
| Etikettens höjd | 5-180mm |
| Etikettens längd | 25-300 mm |
| Etikettrulle inre diameter | 76mm |
| Etikettrulle ytterdiameter | 420mm |
| Noggrannhet vid märkning | ± 1 mm |
| Strömförsörjning | 220V 50 / 60Hz 3,5KW |
| Gasförbrukning av skrivare | 5 kg / m2 (om lägg till kodmaskin) |
| Storlek på märkningsmaskinen | 2800 (L) × 1650 (B) × 1500 (H) mm |
| Vikt på märkningsmaskinen | 180 kg |
Konfiguration
| Nej. | Del | varumärke | kvantitet |
| 1 | PLC | MITSUBISHI (Japan) | 1 |
| 2 | Huvudomvandlare | DANFOSS (Danmark) | 1 |
| 4 | HMI | WEINVIEW (Taiwan) | 1 |
| 5 | Servomärkningsmotor | DELTA (Taiwan) | 1 |
| 6 | Servomärkningsmotordrivrutin | DELTA (Taiwan) | 1 |
| 7 | Transportör motor | HY (Taiwan) | 1 |
| 8 | Transportörens växellåda | HY (Taiwan) | 1 |
| 9 | Delande flaskmotor | GPG (Taiwan) | 1 |
| 10 | Delande flaskmotorväxellåda | GPG (Taiwan) | 1 |
| 11 | Flaskavskiljande motorhastighetsregulator | GPG (Taiwan) | 1 |
| 12 | Eker motor | GPG (Taiwan) | 1 |
| 13 | Ekers motorväxellåda | GPG (Taiwan) | 1 |
| 14 | objekt upptäcka magiskt öga | OMRON (Japan) | 1 |
| 15 | optisk fiber | OMRON (Japan) | 1 |
Maskindetaljer:

32 huvudsakliga märkningsmaskindelar

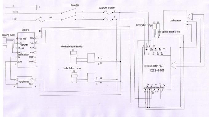
Kretsschema

FAQ:
1 etikett får bubblor
Anledningar:
① avdragning ombord är inte bra / inte platt;
② plogbrädan är inte bra / inte platt;
③ märkningsutgången är för snabb eller monteringslinjens hastighet är för låg;
④ etiketten dras för löst
Lösningar:
① byt ut en platt avdragning ombord;
② byt ut en plogplatta;
Sakta ner märkningsutmatningshastigheten eller öka monteringsbandets hastighet;
④ träffa etikettbältet ordentligt.
Märka: industriell märkningsmaskin, märkningsmaskin för glasflaskor









